Est. March 2001 ·
10,247
Listings on File
Antique Padlocks
A Virtual Repository · James Brady
Home
›
Patent Database
›
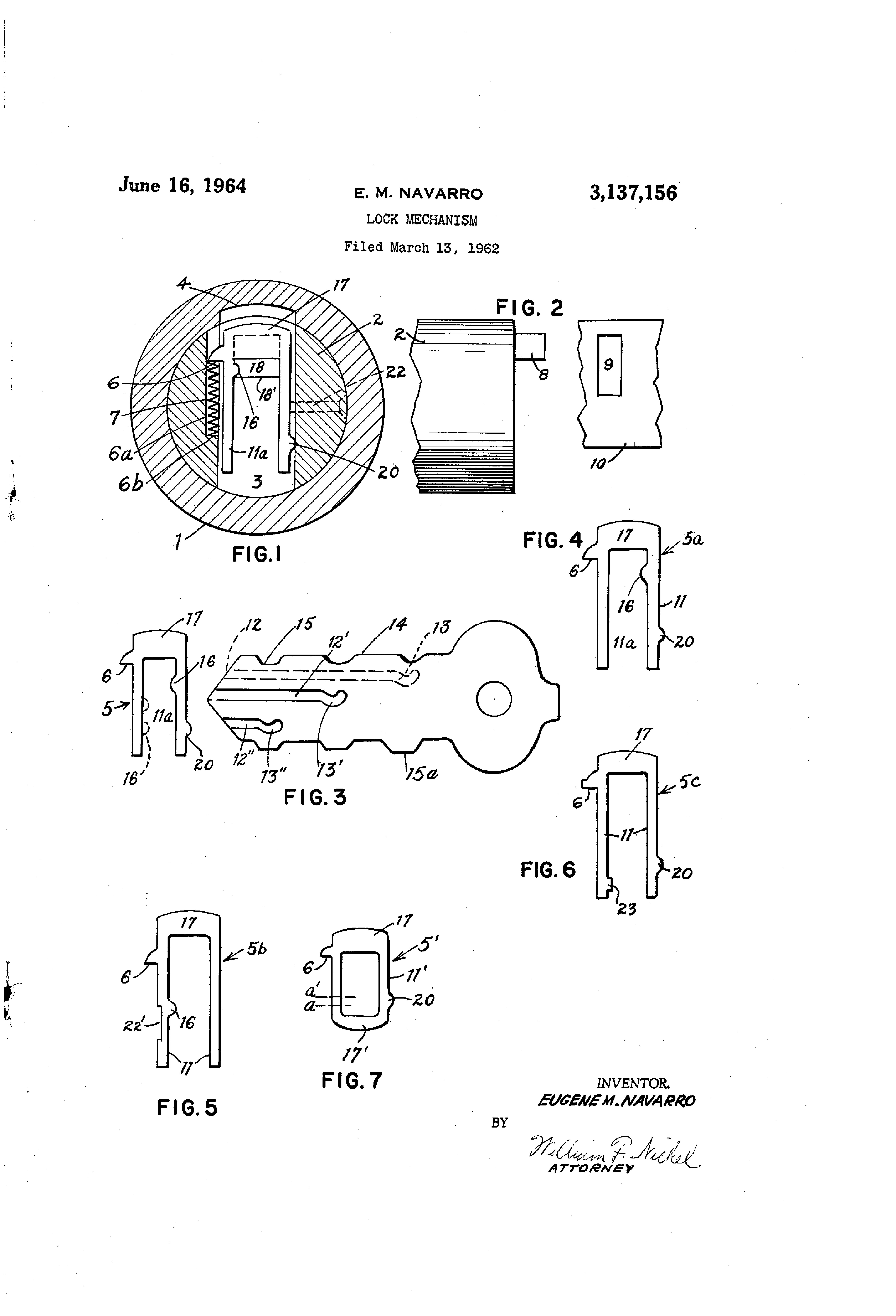
Patent 3137156
Padlock Patent — Keyed
Patent 3137156
Inventor:
Eugene M Navarro
View on USPTO / Google Patents ↗
Patent #
3137156
Issue Date
1962-03-13
Inventor
Eugene M Navarro
Type
Keyed
Patent Drawings
Drawing 1
Drawing 2
Drawing 3
Patent Details
Patent Number
3137156
Issue Date
1962-03-13
Inventor
Eugene M Navarro
Patent Type
Keyed
External Link
https://patents.google.com/patent/US3137156/en ↗
← 3203210
↑ Back to Patent Database
3203210 →